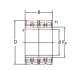
Four-row cylindrical roller bearing
The cylindrical rollers are in contact with the raceway gauge line, and have a large radial load capacity, which is suitable for bearing heavy loads and shock loads, and is also suitable for high-speed rotation. Type N and Type NU can move axially and can adapt to changes in the relative position of the shaft and housing due to thermal expansion or mounting errors, making them ideal for use as free-end bearings. The NJ type and NF type can withstand a certain degree of unidirectional axial load, and the NH type and NUP type can bear a certain degree of bidirectional axial load. The inner or outer ring can be separated for easy assembly and disassembly. The four-row cylindrical roller bearings can withstand large radial loads and shock loads, with high machining accuracy and are suitable for high speeds. It is mostly used on the rolls of rolling mills, but it can also be used in other applications.





